Essential Information of Regal Prelude

Property Type Flats
Project Location K R Puram, Bengaluru
Bedroom(s) 2 & 3 BHK
Unit Sizes 1330 - 1790 Sq.Ft
Price Range 58.52 L - 78.76 L (Base Price) *
Rate per Sqft 3096
Total Land Area 1 Acres
No. of Units 72
Total Blocks Not Mentioned
Total Floors -
Possession Ready to Occupy

Price of Regal Prelude

Config
Size (Sq.ft)
Price
2 BHK Flats
1330 - 1432
58.52 L - 63 L *
3 BHK Flats
1664 - 1790
73.21 L - 78.76 L *

More About Regal Prelude

Regal Urban Private Limited has the residential development consisting of the rooms of double and triple bedrooms with the units of 72 of the one acre of the total land space. The residential apartment is known to be Regal Prelude in the location of K R Puram. Bangalore International Airport, Whitefield and Indiranagar are the excellent connectivity to this flat. Be happy with the picturesque Yelemallappa kere (lake) which is right opposite to the building, offering excellent views of nature. The major schools, hotels, hospitals and shopping malls are near to this property.

Regal Prelude Address

Address: 49/2, Medahalli Kadugodi Road, Bharathi Nagar, Krishnarajapuram, Bengaluru, Karnataka 560049, India

Amenities of Regal Prelude

  • Children's Play Area
  • Rain Water Harvesting
  • ATM
  • 24x7 Security
  • Swimming Pool
  • Gymnasium
  • Cycling & Jogging Track
  • Power Backup
  • Lift
  • Car Parking

Specifications of Regal Prelude

Infrastructure:

Structure: RCC framed structure (Earthquake resistant design for seismic zone 2)

Walls:

Concrete block masonry

Flooring:

Vitrified tiles (Marbonite brand from Johnson) for the entire apartment

Main Doors:

Flush doors

Internal Doors:

Engineered fiber / flush doors

External Doors and Windows:

Aluminium with glass and insect mesh

Common Areas:

Flooring: Marble/Granite/Vitrified Tiles

Elevators: Schindler stainless steel lifts operating from stilt level to terrace floor

Covered Car Park: At stilt level and around the drive way

Bathrooms:

Sanitary ware and Fittings: Jaquar

Flooring: Ceramic tiles (Johnson)

Kitchen & Utility:

Counter: Granite counter with wall tiles up to 2 feet

Sink: Stainless steel sink from Franke

LPG: Piped

Electrical:

Electrical Points: Sufficient points with modular switches from Crabtree

TV and Telephone: Living Room and Master Bedroom pre-wired for Cable and Telephones

Power Back-up: Generator back-up in all apartments and common areas

Security Systems:

CCTV Cameras: In certain common areas

Other Features and Amenities:

Include a Swimming Pool, Community Hall, Gymnasium, Children’s Play Area, Rainwater Harvesting, Sewage Treatment Plant, Separate Drivers' and Maids' Washrooms

Floor Plans & Pricing

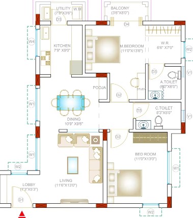
2 BHK Flats
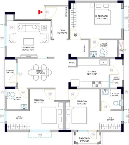
3 BHK Flats
1330 Sq.ft
1432 Sq.ft
2 BHK Price at 58.52 L* (Base Price)
2 BHK Price at 63 L* (Base Price)
1664 Sq.ft
1790 Sq.ft
3 BHK Price at 73.21 L* (Base Price)
3 BHK Price at 78.76 L* (Base Price)
EMI Calculator
Lakhs
0 25 50 75 100 125 150 175 200
%
5 7.5 10 12.5 15 17.5 20 22.5
Years
0 5 10 15 20 25 30 35
  • Cost of Home

    58 L

  • Loan Amount

    L

  • Monthly EMI

  • Total Interest Payable

  • Total Amount Payable

    Principal + Interest

FAQs About Regal Prelude K R Puram

Where is Regal Prelude located?

Regal Prelude is located in K R Puram, Bengaluru

What are the unit sizes available in Regal Prelude?

Unit sizes of the Regal Prelude ranges from 1330 - 1790 Sq.Ft .

What is the price range of Regal Prelude in K R Puram, Bengaluru

The price of Regal Prelude ranges between 58.52 L - 78.76 L *.

How many units are available in Regal Prelude?

There are about 72 units in this project.

What is the total area of Regal Prelude?

Regal Prelude Built across 1 Acres of land.

Projects Near Regal Prelude